ESC-SFT Empuñaduras con interruptor de seguridad integrado

Tecnopolímero certificado como autoextinguible

Seleccionar artículo

loading

Especificaciones tecnicas

Desplazarse horizontalmente
Especificaciones principales

Material

  • Cuerpo de la empuñadura: tecnopolímero de base poliamídica (PA) certificado autoextinguible UL-94 V0 reforzado con fibra de vidrio, color negro.
  • Elemento de pinza: tecnopolímero de base acetal (POM), color negro.
  • Tapa cubretornillos: tecnopolímero de base poliamídica (PA) certificado autoextinguible UL-94 V0 reforzado con fibra de vidrio, color negro.
  • Difusor luz LED: policarbonato autoextinguible UL-94 V0, color opalino.
  • Placa de fijación: acero inoxidable.

Ejecuciones estándar

  • ESC-SFT-C-A: conector macho M12 de 8 polos, salida axial superior.
  • ESC-SFT-C-C: conector macho M12 de 8 polos, salida axial inferior.
  • ESC-SFT-C-B: conector macho M12 de 8 polos, salida posterior.
  • ESC-SFT-F-A: cable de 2 o 5 m de longitud, salida axial superior.
  • ESC-SFT-F-C: cable de 2 o 5 m de longitud, salida axial inferior.
  • ESC-SFT-F-B: cable de 2 o 5 m de longitud, salida posterior.

La empuñadura ESC-SFT debe montarse con la cara inferior dotada de salida de cable/conector en la parte fija (bastidor de la estructura) y con la cara de la empuñadura en la parte móvil (puerta).

Bloques de contacto en la ejecución estándar:

  • NC-NO-NC+LED: 1 contacto NC de seguridad, 1 contacto NO de seguridad, 1 contacto NC de señalización con LED.
  • NC-NC-NC+LED: 2 contactos NC de seguridad, 1 contacto NC de señalización con LED.

Se entiende por contacto NO el contacto normalmente abierto cuando los dos elementos de la empuñadura están en contacto, mientras que, por contacto NC, el contacto normalmente cerrado cuando los dos elementos de la empuñadura están en contacto.

El LED de color verde está encendido cuando la protección está cerrada (los dos elementos de la empuñadura en contacto) e indica el correcto funcionamiento de la maquinaria conforme a IEC 60204-1.

Protección IP

Clase de protección IP67, ver tabla EN 60529.

ESC-SFT-F-C - Cable de 2 m o 5 m de longitud, salida axial inferior 
ESC-SFT-F-C - Cable de 2 m o 5 m de longitud, salida axial inferior 
Información general

Características y aplicaciones

Protección del personal: La empuñadura ESC-SFT es un sensor codificado de canales redondeados que se puede usar en circuitos de seguridad destinados a controlar el estado de las protecciones peligrosas en la máquina. En combinación con un software de control certificado, en caso de apertura accidental de puertas, portezuelas de protección de máquinas o de líneas de producción, activa la interrupción del circuito de alimentación de la maquinaria. El dispositivo de interbloqueo consta de un sensor magnético y del correspondiente accionador (imán codificado), incorporados en los dos elementos de la empuñadura. Al acercarse el imán codificado al sensor, se conmutan los contactos internos del sensor y el correspondiente cierre de las salidas de seguridad de la central a él conectada. Se enciende un LED verde cuando los dos elementos de la empuñadura están en contacto y la protección, cerrada. La empuñadura ESC-SFT está clasificada como dispositivo de interbloqueo magnético de tipo 4 de bajo nivel de codificación conforme a la norma EN 14119. Si se usa como entrada en una central de seguridad certificada (ver accesorios previo pedido), permite tener una arquitectura de sistema hasta SIL3 conforme a la norma IEC 62061 o categoría 4 - Ple conforme a la norma EN ISO 13849-1. Se puede asociar con la bisagra CFSQ o CFSW para aumentar el grado de seguridad del sistema (sistemas con principio de funcionamiento distintos). La distancia de conmutación de los sensores es independiente de la geometría de la puerta en la que está instalado el producto.

Cierre por encaje: las dos partes de que consta el producto (cara de la empuñadura y cara inferior) están dotadas de un sistema mecánico de enganche que permite a la puerta permanecer cerrada. La fuerza de apertura necesaria para abrir la puerta es de aproximadamente 2 kg.

Autocentrado: la empuñadura está dotada de un sistema mecánico de autocentrado respecto de su contrafijación que permite compensar posibles desalineaciones de la puerta o flexiones del cierre a causa del peso. Se puede usar para puertas correderas o batientes.

Funcionamiento

El sistema de seguridad consta de una unidad de control y de la empuñadura, que funciona solamente en configuraciones particulares (ver las opciones de combinación y cableado con las respectivas centrales de seguridad conectadas).

La empuñadura de seguridad contiene contactos reed que se activan con imanes codificados. La unidad de control de seguridad convierte la información y transmite el estado de las protecciones al sistema de control mediante una salida de seguridad.

El estado de seguridad está definido como el estado en el cual la empuñadura está alejada de su imán de activación.

DATOS TÉCNICOS DE LA EMPUÑADURA
CARACTERÍSTICAS GENERALES
Material cubiertaTecnopolímero autoextinguible reforzado con fibra de vidrio de color negro
Temperatura ambiente de funcionamiento-25 +70 °C
Grado de protecciónIP 67 (IEC 60529)
ConexionesCable con conectores, conector M12 macho
Tensión de funcionamiento (Ue)24 V dc
Corriente mínima de funcionamiento por canal (Im)6 mA
Corriente máxima de funcionamiento con LED encendido en ausencia de carga16 mA
Corriente en estado de APAGADO0 mA
Tensión de aislamiento (Ui)26,4 V
Tensión nominal de retención (U imp)1500 V
Grado de contaminación2
Fusible externo rápido0,5 A
Categoría de usoDC12: 0,4A a 24Vdc - DC13: 0,4A a 24Vdc
Máx. frecuencia de conmutación500 Hz
Caída de tensión (Ud)0,3 V
Indicación de conmutaciónLED verde + salida NC de señalización (24 V, 10 mA)
PARÁMETROS DE ACTIVACIÓN
Opciones de empuñadura (puerta corredera S, puerta batiente B)NC+NO SNC+NC SNC+NO BNC+NC B
Distancia de intervención asegurada (Sao)3 mm5 mm6 mm9 mm
Distancia de liberación asegurada (Sar)13 mm17 mm17 mm20 mm
Precisión en la repetición<10%<10%<10%<10%
PARÁMETROS DE FIABILIDAD/SEGURIDAD FUNCIONAL
B10d (EN 13849-1)20x10^6 ciclos
TM20 años
Cobertura diagnóstica (DC)Solicitado a la central de control
Tiempo de desactivación<10 ms
Tiempo de riesgoSolicitado a la central de control
PL/categoría conforme a EN13849-1hasta Pl e/Cat. 4 (en combinación con los módulos de seguridad CN-SFT.115-2NC, CN-SFT.46-2NC/CN-SFT.115-1NC+1NO, CN-SFT.46-1NC+1NO u otras centrales de seguridad equiparables)
Codificación EN ISO 14119:2013Tipo 4 (nivel de codificación bajo)
CONFORMIDAD
Resistencia a las vibraciones y los golpesEN60947-5-3
Conformidad del productoEN60947-5-3 EN14119
Aprobado por TUVTUV IT 0948 24 MAC 429 BTUV IT 0948 24 MAC 428 B
Conexiones eléctricas

Conexiones eléctricas

Las conexiones eléctricas deben ser realizadas solo por personal autorizado.

El cable de conexión de los sensores no debe prolongarse. Los sensores deben conectarse a la unidad de mando con arreglo a los esquemas sugeridos (ver también las instrucciones de funcionamiento para las unidades de mando).

Cableado conforme a norma 60947-5-2
ColorTipoFunción
Marrón (BN)-Blanco (WH)Contacto NCsalida de seguridad Canal 1
Azul (BU)-negro (BK)Contacto NC (vers. NC+NC)salida de seguridad Canal 2
Contacto NO (ver. NC+NO)
Rosa (PK)Positivo contacto auxiliar (+24 VCC)Positivo para señalización LED
Gris (GY)Negativo contacto auxiliar (GND)Negativo para señalización LED
ESC-SFT-F-C - Cable de 2 m o 5 m de longitud, salida axial inferior 

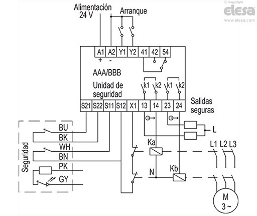
Esquema de conexión de una sola empuñadura en las centrales CN-SFT.115-2NC, CN-SFT.46-2NC/CN-SFT.115-1NC+1NO, CN-SFT.46-1NC+1NO o modelos equivalentes. La empuñadura con contactos NC-NC debe estar conectada a la central CN-SFT.115-2NC/CN-SFT.46-2NC; la empuñadura con contactos NC-NO debe estar conectada a la central CN-SFT.115-1NC+1NO/CN-SFT.46-1NC+1NO. En cualquier caso, se recomienda leer el manual de instrucciones de la central de seguridad para comprobar que el cableado del producto sea correcto.

ESC-SFT-F-C - Cable de 2 m o 5 m de longitud, salida axial inferior 

Esquema de conexión de una sola empuñadura con las centrales CN-SFT.115-2NC/CN-SFT.46-2NC o modelos equivalentes en caso de más empuñaduras con contactos NC-NC.

  • Canales 1 (BU-BK, NC) en serie
  • Canales 2 (WH-BN, NC) en serie

En cualquier caso, se recomienda leer el manual de instrucciones de la central de seguridad para comprobar que el cableado del producto sea correcto.

ESC-SFT-F-C - Cable de 2 m o 5 m de longitud, salida axial inferior 

Esquema de conexión de una sola central CN-SFT.115-1NC+1NO/CN-SFT.46-1NC+1NO o modelos equivalentes en caso de más empuñaduras con contactos NC-NO.

  • Canales 1 (BU-BK, NO) en paralelo
  • Canales 2 (WH-BN, NC) en serie

En cualquier caso, se recomienda leer el manual de instrucciones de la central de seguridad para comprobar que el cableado del producto sea correcto.

ESC-SFT-F-C - Cable de 2 m o 5 m de longitud, salida axial inferior 
Accesorios

Accesorios bajo pedido

  • CN-SFT:  central de seguridad para categorías 3 y 4.
  • FC-ESC:  prolongación de 2,5 o 5 m de longitud.
  • FC-M12x1:  prolongación con conector axial hembra M12 de 8 polos.
Instrucciones de montaje

Instrucciones de montaje

  • Monte la contrafijación de la empuñadura en el bastidor y la empuñadura en la puerta, sirviéndose de las placas de fijación (incluidas en el suministro) interponiéndolas entre los tornillos TCEI M5 y la empuñadura. La presencia de orificios longitudinales permite instalar el producto más fácilmente.
  • Realice el cableado según el esquema eléctrico indicado.
  • Se sugiere usar un fusible externo rápido en la línea de seguridad.
  • El producto no debe usarse en un entorno con fuertes campos magnéticos.
  • Solo se permite el montaje en ausencia de tensión
  • Posición del montaje a elección, a condición de que la superficie activa del sensor de seguridad y la del accionador se encuentren una frente a otra
  • Monte el sensor solamente en superficies planas
  • Si es posible, no monte sensor y accionador en superficies de materiales ferromagnéticos. Se recomienda instalar un distanciador no magnético con un grosor de al menos 5 mm. Se recomienda, asimismo, usar tornillos de fijación no magnéticos.
  • No exponga sensor y accionador a vibraciones y golpes fuertes
  • Mantenga lejos de residuos de hierro
  • Deje una distancia de montaje mínima entre dos empuñaduras de 50 mm
  • Compruebe la distancia mínima entre orificios en puerta y bastidor en el indicador de perforación.
ESC-SFT-F-C - Cable de 2 m o 5 m de longitud, salida axial inferior 
Precauciones

Precauciones

Antes de usar el producto, se debe realizar una comprobación de los riesgos en la máquina conforme a:

  • EN ISO 13849-1: Seguridad de las máquinas. Partes de los sistemas de mando relativas a la seguridad. Parte 1: Principios generales para el diseño;
  • EN ISO 14119: Dispositivos de enclavamiento asociados a resguardos;
  • EN 60204-1: Equipo eléctrico de las máquinas;
  • EN 60947-5-3: Aparamenta de baja tensión. Parte 5-3: Aparatos y elementos de conmutación para circuitos de mando. Requisitos para dispositivos de detección de proximidad con comportamiento definido en condiciones de defecto (PDDB).
  • La empuñadura ESC-SFT realiza una función de protección personal. Las instalaciones no correctas o las manipulaciones pueden causar graves daños a las personas. En particular, la empuñadura no debe ser puenteada (cortocircuitando los contactos), desplazada, retirada o inutilizada de cualquier otra forma.
  • El funcionamiento seguro solo está asegurado cuando se usa el sistema completo: empuñadura de seguridad + central de mando CN-SFT.115-2NC, CN-SFT.46-2NC/CN-SFT.115-1NC+1NO, CN-SFT.46-1NC+1NO o equiparable. Si se usa la empuñadura sin unidad de mando adecuada, la responsabilidad recaerá sobre el constructor de la instalación/de la máquina.
  • Un sistema completo de seguridad generalmente está formado por muchos dispositivos de señalización, sensores, unidades de mando. El fabricante de la máquina o la instalación es el responsable del funcionamiento general correcto y seguro.
Mantenimiento e inspecciones

Mantenimiento e inspecciones

Retire la posible limadura de hierro de la empuñadura regularmente. Use solo detergentes sin disolventes para limpiar la empuñadura..

Medidas adicionales de seguridad (EN ISO 14119:2013, tabla 3)

Es obligatorio controlar periódicamente (al inicio de cada turno, o, como muy tarde, en intervalos de 8 horas) el correcto funcionamiento de las empuñaduras comprobando lo siguiente:

  • correcta conmutación de cada empuñadura, comprobando:

a) que al abrir la protección en la que esté montada la empuñadura se determine la apertura de las salidas de seguridad de la central conectada.

b) que, al cerrarse esa misma protección, se determine el cierre de las salidas de seguridad de la central a continuación de la posible orden de arranque.

  • fijación segura de la empuñadura.
  • fijación correcta de las conexiones.

La función de seguimiento del dispositivo debe ser realizada por la central de seguridad conectada cada vez que intervenga el propio dispositivo.

Si, con todas las protecciones cerradas y a continuación de una posible orden de arranque, la central no activa sus salidas de seguridad, evite apagar y encender la central y proceda a comprobar las posibles protecciones abiertas y realice los controles indicados antes en los puntos a) y b).

En caso de desgaste o fatiga, el sistema dañado debe ser reemplazado.

La cobertura de la garantía y la responsabilidad del fabricante quedan limitadas en las siguientes circunstancias:

  • si no se siguen las instrucciones.
  • no conformidad con la normativa de seguridad.
  • instalación y conexiones eléctricas no realizadas por personal autorizado.
  • falta de realización de los controles de funcionamiento.
  • manipulación del producto.
Elesa
Los modelos tienen todos los derechos reservados de acuerdo con las leyes. Mencione siempre la fuente cuando reproduzca nuestros dibujos.

Haga su consulta, intentaremos responderle lo antes posible